需维护阳螺纹杆端轴承

需维护阳螺纹杆端轴承

  1. 公司名称:上海鑫通福传动设备有限公司
  2. 座机:15995661583
  3. 手机:15995661583
  4. 地址:上海市金山区枫泾镇环东一路65幢18号
联系我们

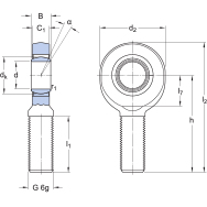
需维护阳螺纹杆端轴承
这种 SKF 杆端轴承包含带有钢对钢滑动接触面组合的球面滑动轴承。


 轴承需要维护,可以从侧面补充润滑。 提供左旋(前缀 SAL)或右旋的阳螺纹。
适合静载、交替载荷或冲击重载;简单,安装方便

联系我们

在线客服系统